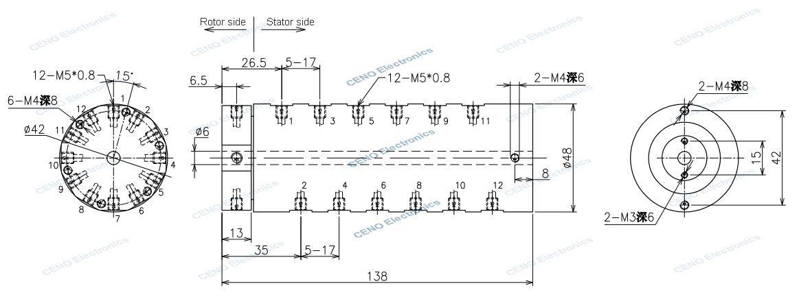
Specification
| QCN12M5-6 | Specification |
|---|---|
Channels | 12 channels * gas |
Connector type | M5 * 0.8 (suit for Ø4,Ø6mm tube ) |
Pressure | -100KPa ~ +0.7MPa |
Torque | ≤ 2N * m |
Channels | 1 channel * Air ( M6 & Tube 6mm ) |
Working speed | 0~30rpm |
Housing material | Aluminium Alloy |
Outline drawing
