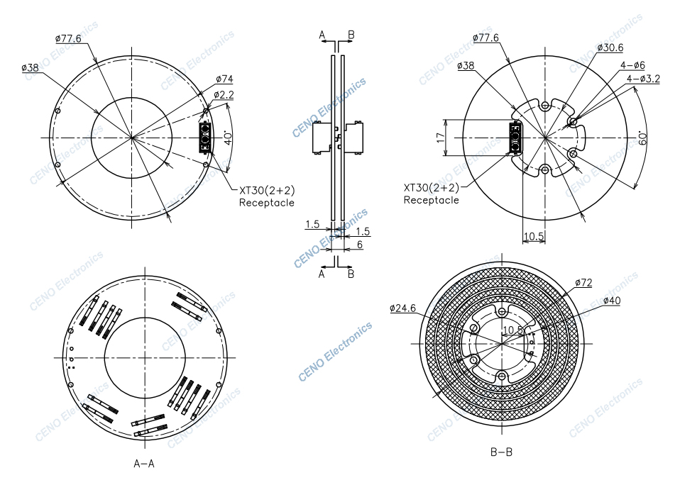
PSCN038-02P2-02S is CENO pancake slip ring with electric power and CAN signal. Compare with traditional cylindrical slip ring, pancake slip ring designed with unique structure, ultra-thin and compact. Simply put, pancake slip ring like as a rotating flat circuits board, with probes on top maintaining electrical connections. Core principle of pancake slip ring is use spring pressure and planar ring to achieve stable and reliable electrical connection. For more information please contact us
Specification
PSCN038-02P2-02S | Specification |
|---|---|
Current & Circuits | 2 circuits * 10A; 2 circuits * Can signal |
Rating Voltage | 0 ~ 100 VAC/VDC |
Dielectric strength | ≥300VAC@50Hz |
Isolation resistance | ≥100MΩ@100VDC |
Contact resistance wave | ≤ 30mΩ |
Working temperature | -20°C~+60°C |
Working humidity | 60 %RH |
IP protection grade | IP00 |
Operating speed | 0~80rpm |
Inner diameter | Ø38mm |
Contact material | Gold to gold |
Housing material | FR4 |
Outline drawing
