RCN0167C is CENO single channel RF rotary joint with frequency range DC to 67GHz. RF slip rings are a critical connection component in modern precision rotating equipment. They ensure stable, low-loss transmission of high-frequency signals even in dynamic rotational environments and are one of the core technologies that enable equipment's "infinite continuous rotation" capability. For more information please contact us.
Specification
| RCN0167C | Specification |
|---|---|
Channels | 1 |
Connector type | 1.85-K (50Ω) |
Frequency range | DC-67GHz |
Average power | 10W@DC-10GHz; 5W@10-26GHz 3W@26-50GHz; 1W@50-67GHz |
Standing wave ratio (max) | 1.7@DC~26.5GH |
Standing wave ratio wave (max) | 0.2@DC~26.5GHz 0.4@50~67GHz |
Insert loss (max) | 1dB@DC~26.5GHz 1.5dB@26.5~50GHz 2.5dB@50~67GHzGHz |
Insert loss wave (max) | 0.15dB@26.5~50GHz 0.35dB@50~67GHzGHz |
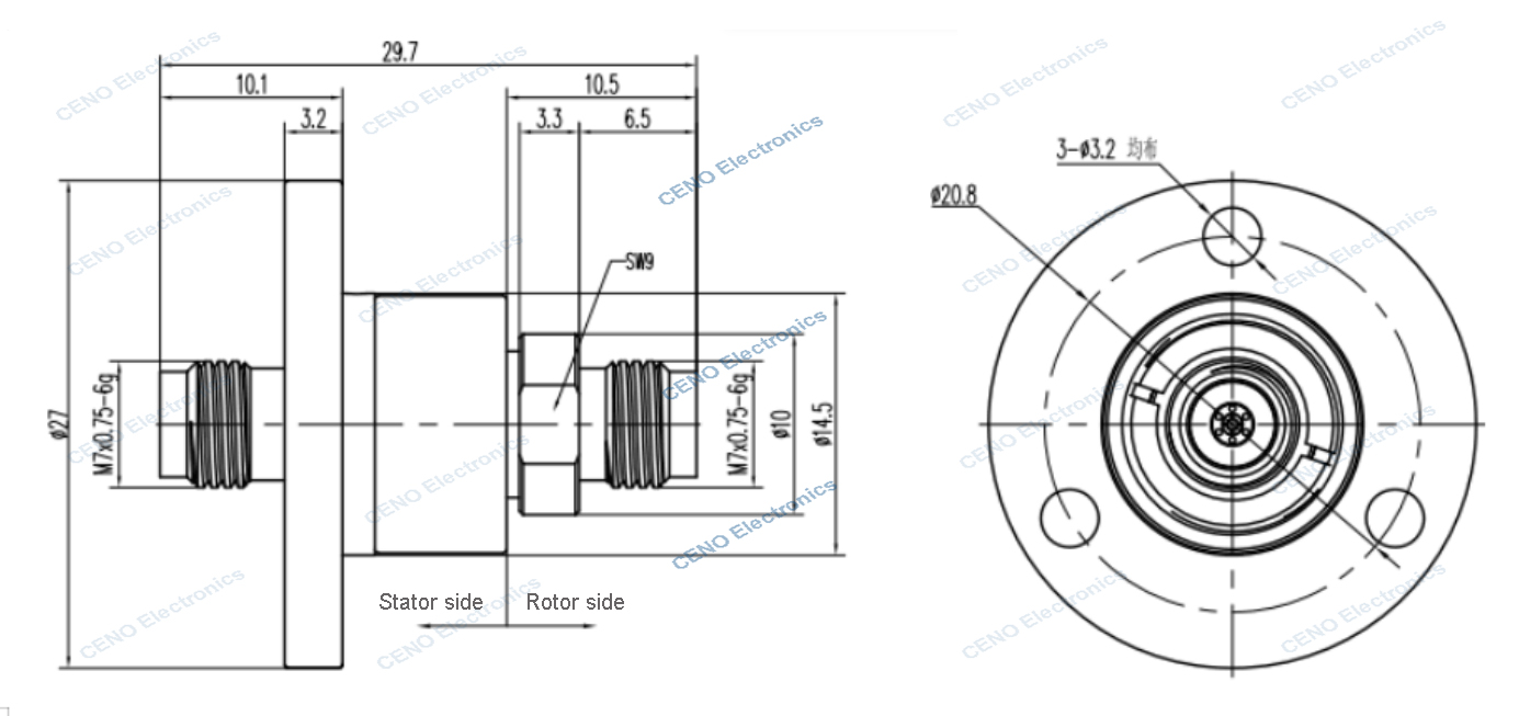
Outline drawing
