RCN02-31-02 is CENO 2 channels coaxial Radio Frequency Rotary Joint with frequency range DC-2GHz and 29-31GHz. RF rotary joints are used in continuous rotation applications to transmit high-frequency and high-speed signals between stationary and rotating components. RF rotary joints feature a compact structure, stable performance, excellent shielding, strong anti-interference capabilities, and ease of integration for different application. For more information please contact us.
Specification
| RCN02-31-02 | RCN02-31-02 | |
|---|---|---|
Channels | CH1 (TX) | CH2 (TX) |
Interface type | SMA 2.92-K(50Ω) | SMA (50Ω) |
Frequency range | 29-31GHz | DC-2GHz |
Peak Power,max | 50W | 30W |
Average Power,max | 25W | 10W |
VSWR,max | 1.6 | 1.5 |
VSWR-wow,max | 0.15 | 0.2 |
Insertion Loss,max | 0.8dB | 0.6dB |
Insertion Loss- wow,max | 0.1dB | 0.1dB |
DC Load Capacity | 50V@1A | |
Insolation,min | 50dB | |
Rotating Speed,max | 60rpm | |
Life Time,min | 5 million | |
Starting Torque | ≤0.3Nm | |
Temperature | -40℃ ~ + 70℃(W); -55℃ ~ + 85℃(S) | |
Humidity | 95% | |
IP Protection grade | IP41 | |
Surface treatment | Conductive oxidation | |
Body Material | Aluminium alloy | |
Altitude | Up to 3Km | |
Shock / Vibration | Per RTCA DO-160G (TBD), standard for airborne systems | |
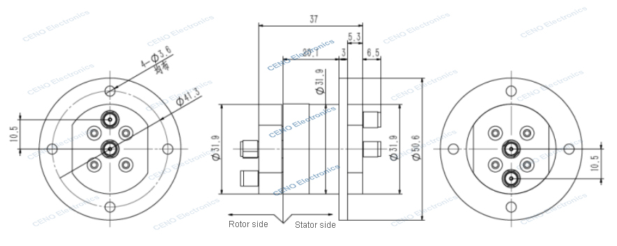
Outline drawing
