Specification
| ECN000-05P-10S-01EM-04R-A | Specification |
|---|---|
Current & Circuits | 2 circuits * 5A; 3*10A; 10 * Signal; 1 * Ethernet |
Rating Voltage | 0 ~ 220 VAC/VDC |
Dielectric strength | ≥1500VAC@50Hz; ≥300VAC@50Hz |
Isolation resistance | ≥500MΩ@500VDC; ≥100MΩ@300VDC |
Contact resistance wave | ≤ 10mΩ |
Working temperature | -40°C~+65°C; -50°C~+70°C |
Working humidity | 95 %RH |
IP protection grade | IP51 |
Operating speed | 0~50rpm |
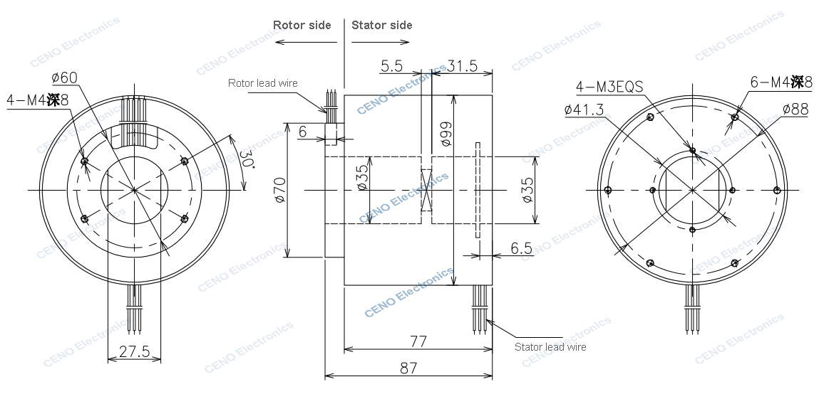
Outer diameter | Ø99mm |
Contact material | Precious Metal |
Housing material | Aluminium Alloy |
Outline drawing
