 
                            ECN000-18P3-04S is CENO profinet slip ring which combine circuits electric power with profinet signal, flange design for easier and firmly installation. As the basis of the factory communication digital network, Profinet communication system communicates the connection between on-site control equipment in the production process and between it and high control management levels. CENO has developed a series of signal slip ring for the application needs of fieldbuses, such as CAN, Profibus and field Ethernet etc
 
                     
                     
                     
                Specification
| ECN000-18P3-04S | Specification | 
|---|---|
| Current & Circuits | 18 circuits * 15A; 1 group * profinet | 
| Rating Voltage | 0 ~ 24 VAC/VDC | 
| Dielectric strength | ≥500VAC@50Hz | 
| Isolation resistance | ≥300MΩ@500VDC | 
| Contact resistance wave | ≤ 30mΩ | 
| Working temperature | -20°C~+60°C | 
| Working humidity | 60 %RH | 
| IP protection grade | IP55 | 
| Operating speed | 0~5rpm | 
| Outer diameter | Ø60mm | 
| Contact material | Gold to gold / Precious Metal | 
| Housing material | Aluminium Alloy | 
| Lead wire size | As customized | 
| Lead wire length | As customized | 
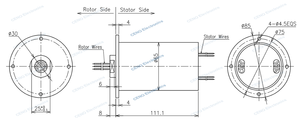
Outline drawing
