SCN065-04P1 is CENO separate slip ring with 4 circuits electric power and optional for different require. A separate slip ring is a slip ring device in which the rotor and stator can be physically separated. When the work is completed or maintenance is required, the two can be easily separated. Its rotor and stator are not permanently fixed together, but like a "plug" and "socket", they can be connected and disconnected at any time as needed. For more information about how CENO slip ring can fit your application please contact us.
Specification
SCN065-04P1 | Specification |
|---|---|
Current & Circuits | 4 circuits * 3A |
Rating Voltage | 0 ~ 380 VAC/VDC |
Dielectric strength | ≥1000VAC@50Hz |
Isolation resistance | ≥500MΩ@500VDC |
Contact resistance wave | ≤ 30mΩ |
Working temperature | -20°C~+80°C |
Working humidity | 60 %RH |
IP protection grade | IP00 |
Operating speed | 0~300rpm |
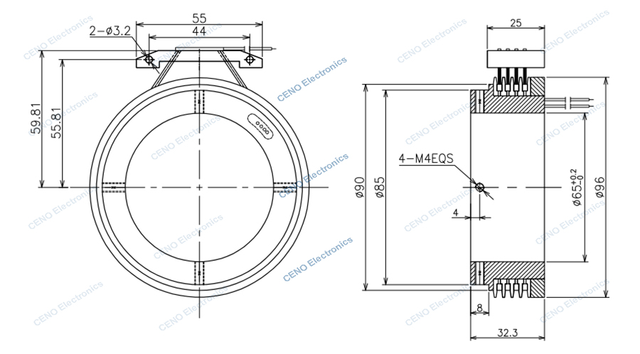
Inner diameter | Ø65mm |
Outer diameter | Ø96mm |
Contact material | Precious Metal |
Housing material | Aluminium Alloy |
Lead wire size | As customized |
Lead wire length | As customized |
Outline drawing
