ECN025-04P2-07S-01EG is CENO Ethernet slip ring combined circuits electric power and through hole design with inner bore 25mm optional. Ethernet slip rings are specialized electrical slip rings that integrate Ethernet signal transmission capabilities. Their core function is to achieve uninterrupted, low-latency, and low-error-rate Ethernet data transmission between rotating and stationary components while also being compatible with power and general control signal transmission. More information please contact us.
Specification
| ECN025-04P2-07S-01EG | Specification |
|---|---|
Current & Circuits | 4 * 10A; 1 * PE; 7 * Encoder; 1 * 1000M Ethernet |
Rating Voltage | 0 ~ 380 VAC/VDC |
Dielectric strength | ≥1000VAC@50Hz; ≥300VAC@50Hz |
Isolation resistance | ≥500MΩ@500VDC; ≥100MΩ@100VDC |
Contact resistance wave | ≤ 30mΩ |
Working temperature | -20°C~+60°C |
Working humidity | 60 %RH |
IP protection grade | IP51 |
Operating speed | 0~300rpm |
Inner diameter | Ø25.4mm |
Outer diameter | Ø86mm |
Contact material | Precious Metal |
Housing material | Aluminium Alloy |
Lead wire size & length | As customized |
Installation | Flange installation |
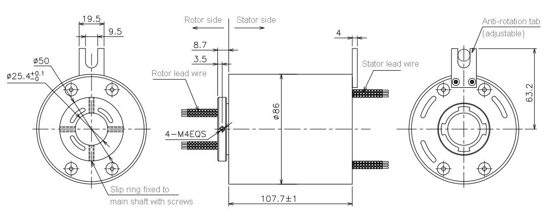
Outline drawing
