Specification
| ECN038-05P4-16S | Specification |
|---|---|
Current & Circuits | 5 circuits * 25A; 16 circuits * Signal |
Rating Voltage | 0 ~ 380 VAC/VDC |
Dielectric strength | ≥1500VAC@50Hz |
Isolation resistance | ≥500MΩ@500VDC |
Contact resistance wave | ≤ 30mΩ |
Working temperature | -20°C~+60°C |
Working humidity | 60 %RH |
IP protection grade | IP51 |
Operating speed | 0~250rpm |
Contact material | Precious metal |
Housing material | Aluminum alloy |
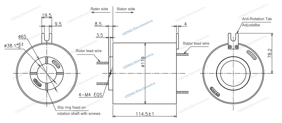
Inner / Outer diameter | 38.1mm /119mm |
Lead wire size | As customized |
Lead wire length | As customized |
Rotation way | Fix up stator side with anti-rotation tab |
Outline drawing
