Specification
| ECN038-06P3-IP54 | Specification |
|---|---|
Current & Circuits | 6 circuits * 15A |
Rating Voltage | 0 ~ 380 VAC/VDC |
Dielectric strength | ≥1000VAC@50Hz |
Isolation resistance | ≥500MΩ@500VDC |
Contact resistance wave | ≤ 30mΩ |
Working temperature | -20°C~+60°C |
Working humidity | 60 %RH |
IP protection grade | IP54 |
Operating speed | 0~80rpm |
Inner diameter | Ø38mm |
Outer diameter | Ø99mm |
Contact material | Precious Metal |
Housing material | Aluminium Alloy |
Lead wire size & length | As customized |
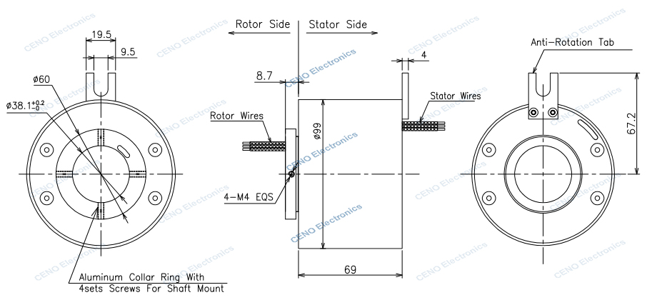
Outline drawing
