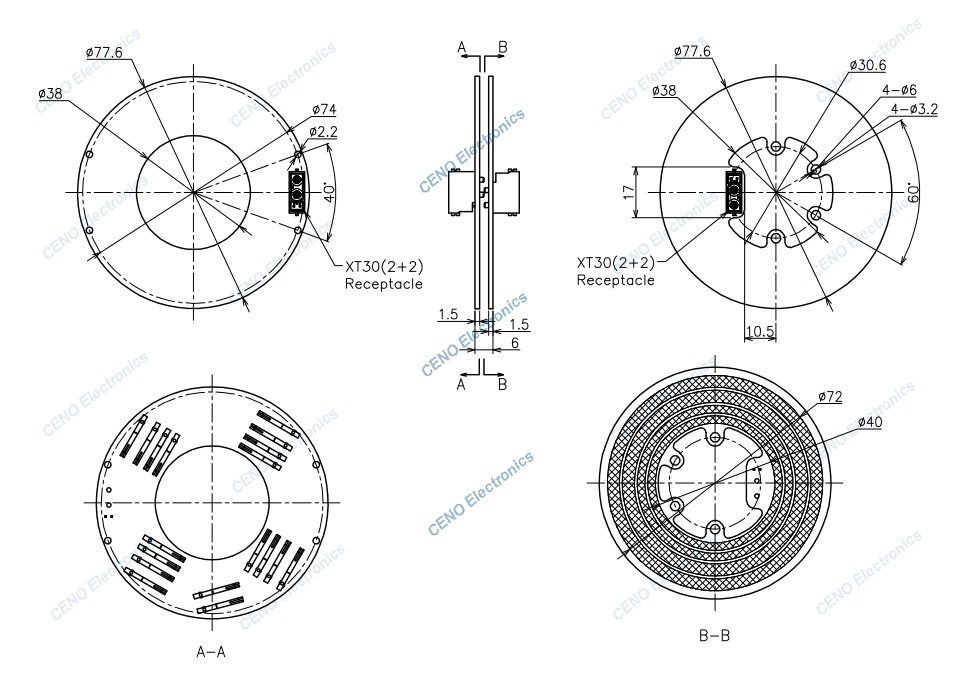
Specification
PSCN038-02P2-02S-A | Specification |
|---|---|
Current & Circuits | 2 circuits * 10A; 2 circuits * Can signal |
Rating Voltage | 0 ~ 100 VAC/VDC |
Dielectric strength | ≥300VAC@50Hz |
Isolation resistance | ≥100MΩ@100VDC |
Contact resistance wave | ≤ 30mΩ |
Working temperature | -20°C~+60°C |
Working humidity | 60 %RH |
IP protection grade | IP00 |
Operating speed | 0~80rpm |
Inner diameter | Ø38mm |
Contact material | Gold to gold |
Housing material | FR4 |
Outline drawing
