Welcome to visit: CENO Electronics Technology Co.,Ltd

+86(755) 2342 0945

Email:Email:sales@ceno360.com

CN

Product
Latest Products

ECN020-07P4 Industry Power Slip Ring

ECN020-07P4 is CENO power slip ring with inner bore 20mm for industry system. The core function of slip rings is to transmit electrical current, data signals, fluids, or gases between stationary and rotating components. Therefore, any equipment requiring unrestricted 360-degree continuous rotation while simultaneously transferring energy and information from a stat structure to a rotating structure necessitates the use of slip rings. More information please contact us.

Product Details

Specification

ECN020-07P4Specification

Current & Circuits

7 circuits * 20A

Rating Voltage

0 ~ 230 VAC/VDC

Dielectric strength

≥1000VAC@50Hz

Isolation resistance

≥500MΩ@500VDC

Contact resistance wave

≤ 30mΩ

Working temperature

-20°C~+60°C

Working humidity

60 %RH

IP protection grade

IP51

Operating speed

0~80rpm

Inner diameter

Ø20mm

Outer diameter

Ø86mm

Contact material

Precious Metal

Housing material

Aluminium Alloy

Lead wire size & length

As customized




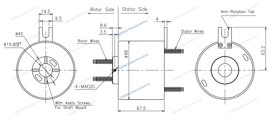
Outline drawing

ECN020-07P4(S06214001) drawing rev

Related Products

skype

phone

message